Ваш город: Казань

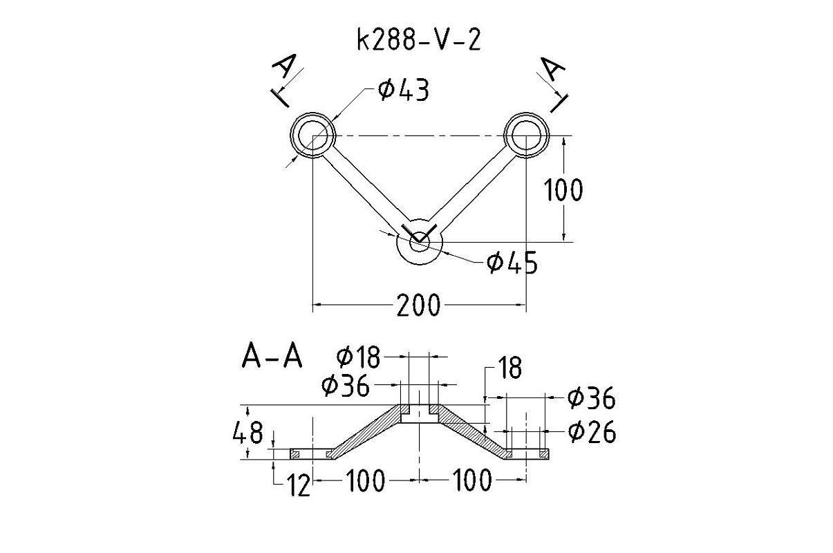
Cпайдер, литой,полированный V-200мм, AISI 304, 2х26х38, 1х18х36/40мм, нагрузки: 1кН, 2кН k288-V-2

2 925 ₽/шт
Товары-аналоги
Наличие:
Доставка день в день с нашего склада до ТК для отправки в ваш город
Одинцово
Уточняйте у менеджера
СПб-Волковская
В наличии
Москва-Жулебино
Уточняйте у менеджера
КЗ-Алматы
В наличии
Екатеринбург
В наличии
Артикул
k288-V-2
Материал
AISI 304 (08Х18Н10)
Способ сборки
Самосбор
Особенности
Литой
Описание
Cпайдер, литой, полированный V-200мм, 2х26х38, 1х18х36/40мм, нагрузки: 1кН, 2кН. Марка стали - AISI 304
Назначение
Спайдер – крепеж для вертикального остекления, фасадного остекления, который крепко соединяет между собой стеклянные панели и крепит стекло к несущему металлическому каркасу. Металлические крестовины «паук» изготавливаются из высокопрочной легированной стали, благодаря которой изделие сохраняет свои физические и механические свойства при воздействии внешних разнообразных факторов. Этот вид крепежа используется для безрамного остекления, что позволяет сделать остекление не зависящие от бокового крепежа и сохранит внешний вид вашего фасада. Так же Спайдер идеален в случае необходимости ремонта, он позволяет легко демонтировать стекло и заменить его с минимальными трудозатратами. Спайдерные системы, обладают рядом преимуществ: долговечностью, технологичностью монтажа, высокими прочностными характеристиками. Спайдерная система применяется не только в остеклении фасадов, так же она используются в стеклянных козырьках, в дизайне интерьеров (перегородки, двери, стенды, витражи и даже декоративные потолки и полы). При установке спайдерной системы для крепления стекла используют рутели, которые после фиксации стекла крепятся к спайдерам. При изготовлении спайдеров предъявляют высокие требования к материалу, благодаря чему спайдер отвечает высокой механической прочности и антикоррозийной стойкости. Конструкция изготовлена так, что нагрузка распределяется равномерно, а запас прочности гарантирует надежность и безопасность всей конструкции. Благодаря использованию шарнирного рутеля k274, k634, k364в спайдерной системе нивелируется объемное расширение стекла при изменении температуры.

У Вас есть возможность самостоятельно забрать товар с любого нашего склада:

г.Одинцово (схема проезда тут)
График работы: пн-пт 9.00-18.00, сб 09.00-15.00

г.Москва-Жулебино (схема проезда тут)
График работы: пн-пт 9.00-18.00, сб 09.00-15.00

г.Санкт-Петербург (схема проезда тут)
График работы: пн-пт 9.00-18.00.
*Действует пропускная система. Просьба заранее согласовывать приезд с менеджером.

г.Екатеринбург (схема проезда тут)
График работы: пн-пт 9.00-18.00 (время местное)

На территории каждого склада предусмотрена возможность оплаты товара наличными и банковской картой. Также по всем адресам располагается шоу-рум, где можно ознакомиться с образцами товаров и получить подробную консультацию эксперта.

Дополнительно предусмотрена возможность отправки вашего груза услугами известных транспортных компаний по всей России. Оплата доставки груза (склад отправитель-склад получатель) осуществляется за счет покупателя.

Будем рады видеть Вас в числе наших постоянных клиентов!

Ваш отзыв может стать первым! Добавьте его, нажав на кнопку "Добавить отзыв"
Оцените продукт:
Артикул
k288-V-2
Материал
AISI 304 (08Х18Н10)
Способ сборки
Самосбор
Особенности
Литой
Описание
Cпайдер, литой, полированный V-200мм, 2х26х38, 1х18х36/40мм, нагрузки: 1кН, 2кН. Марка стали - AISI 304
Назначение
Спайдер – крепеж для вертикального остекления, фасадного остекления, который крепко соединяет между собой стеклянные панели и крепит стекло к несущему металлическому каркасу. Металлические крестовины «паук» изготавливаются из высокопрочной легированной стали, благодаря которой изделие сохраняет свои физические и механические свойства при воздействии внешних разнообразных факторов. Этот вид крепежа используется для безрамного остекления, что позволяет сделать остекление не зависящие от бокового крепежа и сохранит внешний вид вашего фасада. Так же Спайдер идеален в случае необходимости ремонта, он позволяет легко демонтировать стекло и заменить его с минимальными трудозатратами. Спайдерные системы, обладают рядом преимуществ: долговечностью, технологичностью монтажа, высокими прочностными характеристиками. Спайдерная система применяется не только в остеклении фасадов, так же она используются в стеклянных козырьках, в дизайне интерьеров (перегородки, двери, стенды, витражи и даже декоративные потолки и полы). При установке спайдерной системы для крепления стекла используют рутели, которые после фиксации стекла крепятся к спайдерам. При изготовлении спайдеров предъявляют высокие требования к материалу, благодаря чему спайдер отвечает высокой механической прочности и антикоррозийной стойкости. Конструкция изготовлена так, что нагрузка распределяется равномерно, а запас прочности гарантирует надежность и безопасность всей конструкции. Благодаря использованию шарнирного рутеля k274, k634, k364в спайдерной системе нивелируется объемное расширение стекла при изменении температуры.

У Вас есть возможность самостоятельно забрать товар с любого нашего склада:

г.Одинцово (схема проезда тут)
График работы: пн-пт 9.00-18.00, сб 09.00-15.00

г.Москва-Жулебино (схема проезда тут)
График работы: пн-пт 9.00-18.00, сб 09.00-15.00

г.Санкт-Петербург (схема проезда тут)
График работы: пн-пт 9.00-18.00.
*Действует пропускная система. Просьба заранее согласовывать приезд с менеджером.

г.Екатеринбург (схема проезда тут)
График работы: пн-пт 9.00-18.00 (время местное)

На территории каждого склада предусмотрена возможность оплаты товара наличными и банковской картой. Также по всем адресам располагается шоу-рум, где можно ознакомиться с образцами товаров и получить подробную консультацию эксперта.

Дополнительно предусмотрена возможность отправки вашего груза услугами известных транспортных компаний по всей России. Оплата доставки груза (склад отправитель-склад получатель) осуществляется за счет покупателя.

Будем рады видеть Вас в числе наших постоянных клиентов!

Ваш отзыв может стать первым! Добавьте его, нажав на кнопку "Добавить отзыв"
Оцените продукт:
Контроль качества
Обновление от 19.08.2025
Вместе с этим товаром покупают
Рутель под стекло 10-26 мм, шпилька М14, регулируемый, разборный (AISI 304) k269-6 купить в Казани
k269-6
304
2 498 ₽/шт
Рутель под стекло 10-26 мм, шпилька М14, регулируемый, разборный (AISI 304) k269-6
I/2-спайдер-100 мм, AISI 304, 1х26х38, 1х18х36/40мм, нагрузки: 1кН, 2кН k288-I/2-2 купить в Казани
k288-I/2-2
304
1 898 ₽/шт
I/2-спайдер-100 мм, AISI 304, 1х26х38, 1х18х36/40мм, нагрузки: 1кН, 2кН k288-I/2-2
I-спайдер-200мм, AISI 304, 2х26х38, 1х18х36/40мм, нагрузки: 1кН, 2кН k288-I-2 купить в Казани
k288-I-2
304
2 507 ₽/шт
I-спайдер-200мм, AISI 304, 2х26х38, 1х18х36/40мм, нагрузки: 1кН, 2кН k288-I-2
Крепеж спайдера к плоскому основанию О-БОЛТ, оцин.(винт AISI 304) k299-2 купить в Казани
k299-2
304
3 321 ₽/шт
Крепеж спайдера к плоскому основанию О-БОЛТ, оцин.(винт AISI 304) k299-2
Крепление стеклодержателя (рутеля) к стене под резьбу М14 (AISI304) k660 купить в Казани
k660
304
3 450 ₽/шт
Крепление стеклодержателя (рутеля) к стене под резьбу М14 (AISI304) k660
Крепление ванты(тяги) козырька к стене (AISI304), литое, полированное k658 купить в Казани
k658
304
3 438 ₽/шт
Крепление ванты(тяги) козырька к стене (AISI304), литое, полированное k658
Крепление стеклодержателя (рутеля) к ванте (серьга) (AISI304) k659 купить в Казани
k659
304
3 121 ₽/шт
Крепление стеклодержателя (рутеля) к ванте (серьга) (AISI304) k659
Наконечник ванты (тяги) под резьбу М16 левый (AISI304) k661-L купить в Казани
k661-L
304
2 671 ₽/шт
Наконечник ванты (тяги) под резьбу М16 левый (AISI304) k661-L
Наконечник ванты (тяги) под резьбу М16 правый (AISI304) k661-R купить в Казани
k661-R
304
2 671 ₽/шт
Наконечник ванты (тяги) под резьбу М16 правый (AISI304) k661-R
Cпайдер, литой,полированный Y/2-141 мм, AISI 304, 1х26х38, 1х18х36/40мм, нагрузки: 1кН, 2кН k288-Y/2-2 купить в Казани
k288-Y/2-2
304
3 115 ₽/шт
Cпайдер, литой,полированный Y/2-141 мм, AISI 304, 1х26х38, 1х18х36/40мм, нагрузки: 1кН, 2кН k288-Y/2-2
Рутель для крепления козырьков на ванты, разборный, для стекла 10-26 мм, нержавеющая сталь AISI 316, полированная k274-2 купить в Казани
k274-2
316
3 390 ₽/шт
Рутель для крепления козырьков на ванты, разборный, для стекла 10-26 мм, нержавеющая сталь AISI 316, полированная k274-2
Основание спайдера О-БОЛТ, под плоскость, оцин.(винт AISI 304) k299 купить в Казани
k299
304
3 991 ₽/шт
Основание спайдера О-БОЛТ, под плоскость, оцин.(винт AISI 304) k299
Рутель для вантового крепления козырьков, регулируемый, разборный, под стекло от 10 до 28 мм, полированный, диаметр внешнего кольца 52, шпилька М14 (AISI 304) k269-5 купить в Казани
k269-5
304
2 525 ₽/шт
Рутель для вантового крепления козырьков, регулируемый, разборный, под стекло от 10 до 28 мм, полированный, диаметр внешнего кольца 52, шпилька М14 (AISI 304) k269-5
k668-16-L2 Вант (тяга) для козырька М16, 1000-2000 мм (AISI 304) купить в Казани
k668-16-L2
304
5 955 ₽/шт
k668-16-L2 Вант (тяга) для козырька М16, 1000-2000 мм (AISI 304)
Стеклодержатель (рутель) под стекло от 16 до 24 мм, полированный (AISI 316) k274 купить в Казани
k274
316
3 690 ₽/шт
Стеклодержатель (рутель) под стекло от 16 до 24 мм, полированный (AISI 316) k274
k668-16-L3 Вант (тяга) для козырька М16, 2000-3000мм (AISI 304) купить в Казани
k668-16-L3
304
5 442 ₽/шт
k668-16-L3 Вант (тяга) для козырька М16, 2000-3000мм (AISI 304)
Крепление ванты(тяги) козырька к стойке алюминиевого фасада, AISI 304,литое,полированное, k610 купить в Казани
k610
304
3 707 ₽/шт
Крепление ванты(тяги) козырька к стойке алюминиевого фасада, AISI 304,литое,полированное, k610
Спайдер-200мм Y-образный 3х26х38, 1х18х36/40мм, нагрузки: 1кН, 2кН (AISI 304) k288-Y купить в Казани
k288-Y
304
3 035 ₽/шт
Спайдер-200мм Y-образный 3х26х38, 1х18х36/40мм, нагрузки: 1кН, 2кН (AISI 304) k288-Y
Спайдер-200 мм X-образный 4х26х38, 1х18х36/40 мм, нагрузки: 1кН, 2кН (AISI 304) k288-X купить в Казани
k288-X
304
6 689 ₽/шт
Спайдер-200 мм X-образный 4х26х38, 1х18х36/40 мм, нагрузки: 1кН, 2кН (AISI 304) k288-X
Вант(тяга) для козырька М16, длина 1750мм (AISI 304) k668-16-1750 купить в Казани
k668-16-1750
304
4 018 ₽/шт
Вант(тяга) для козырька М16, длина 1750мм (AISI 304) k668-16-1750
Популярные товары в этой категории
Пистолет для хим.анкера Bit Ф-1103 купить в Казани
Ф-1103
8 670 ₽/шт
Пистолет для хим.анкера Bit Ф-1103
Паста Фламил 200 грамм для удаления загрязнений, потемнений и полировки царапин Ф-0819 купить в Казани
Ф-0819
2 849 ₽/шт
Паста Фламил 200 грамм для удаления загрязнений, потемнений и полировки царапин Ф-0819
(DIN 975.A2) Шпилька нерж. М16 М-3962 купить в Казани
М-3962
304
1 285 ₽/шт
(DIN 975.A2) Шпилька нерж. М16 М-3962
(DIN 975.Zn) Шпилька оц. М16 М-3954 купить в Казани
М-3954
721 ₽/шт
(DIN 975.Zn) Шпилька оц. М16 М-3954
Хим.анкер  Bit-Stick 400 мл Ф-0799 купить в Казани
Ф-0799
1 951 ₽/шт
Хим.анкер Bit-Stick 400 мл Ф-0799
(DIN 1587.A2) Колп. гайка нерж. М16 М-3212 купить в Казани
М-3212
112 ₽/шт
(DIN 1587.A2) Колп. гайка нерж. М16 М-3212
Гайка для рутеля(стеклодержателя)М14, шаг резьбы 1,5, AISI 304 k650 купить в Казани
k650
304
267 ₽/шт
Гайка для рутеля(стеклодержателя)М14, шаг резьбы 1,5, AISI 304 k650
Крепление стеклодержателя (рутеля) к ванте (серьга) (AISI304) k659 купить в Казани
k659
304
3 121 ₽/шт
Крепление стеклодержателя (рутеля) к ванте (серьга) (AISI304) k659
Крепление стеклодержателя (рутеля) к стене под резьбу М14 (AISI304) k660 купить в Казани
k660
304
3 450 ₽/шт
Крепление стеклодержателя (рутеля) к стене под резьбу М14 (AISI304) k660
(DIN 9021.Zn) Шайба оц. кузовная М16х50х3 М-3720 купить в Казани
М-3720
13 ₽/шт
(DIN 9021.Zn) Шайба оц. кузовная М16х50х3 М-3720
Крепление ванты(тяги) козырька к стене (AISI304), литое, полированное k658 купить в Казани
k658
304
3 438 ₽/шт
Крепление ванты(тяги) козырька к стене (AISI304), литое, полированное k658
Рутель под стекло 10-26 мм, шпилька М14, регулируемый, разборный (AISI 304) k269-6 купить в Казани
k269-6
304
2 498 ₽/шт
Рутель под стекло 10-26 мм, шпилька М14, регулируемый, разборный (AISI 304) k269-6
Наконечник ванты (тяги) под резьбу М16 левый (AISI304) k661-L купить в Казани
k661-L
304
2 671 ₽/шт
Наконечник ванты (тяги) под резьбу М16 левый (AISI304) k661-L
Наконечник ванты (тяги) под резьбу М16 правый (AISI304) k661-R купить в Казани
k661-R
304
2 671 ₽/шт
Наконечник ванты (тяги) под резьбу М16 правый (AISI304) k661-R
Миксер для химии Ф-1102 купить в Казани
Ф-1102
119 ₽/шт
Миксер для химии Ф-1102
Стеклодержатель (рутель) под стекло от 16 до 24 мм, полированный (AISI 316) k274 купить в Казани
k274
316
3 690 ₽/шт
Стеклодержатель (рутель) под стекло от 16 до 24 мм, полированный (AISI 316) k274
I-спайдер-200мм, AISI 304, 2х26х38, 1х18х36/40мм, нагрузки: 1кН, 2кН k288-I-2 купить в Казани
k288-I-2
304
2 507 ₽/шт
I-спайдер-200мм, AISI 304, 2х26х38, 1х18х36/40мм, нагрузки: 1кН, 2кН k288-I-2
k668-16-L2 Вант (тяга) для козырька М16, 1000-2000 мм (AISI 304) купить в Казани
k668-16-L2
304
5 955 ₽/шт
k668-16-L2 Вант (тяга) для козырька М16, 1000-2000 мм (AISI 304)
k668-16-L3 Вант (тяга) для козырька М16, 2000-3000мм (AISI 304) купить в Казани
k668-16-L3
304
5 442 ₽/шт
k668-16-L3 Вант (тяга) для козырька М16, 2000-3000мм (AISI 304)
Стеклодержатель (рутель) под стекло толщиной от 16 до 24 мм, полированный (AISI 304) k269 купить в Казани
k269
304
2 517 ₽/шт
Стеклодержатель (рутель) под стекло толщиной от 16 до 24 мм, полированный (AISI 304) k269
Новинки категории
Закладной кронштейн, Ст3 (закладная) k691 купить в Казани
k691
16 951 ₽/шт
Закладной кронштейн, Ст3 (закладная) k691
Закладной кронштейн, Ст3 (закладная) k690 купить в Казани
k690
16 951 ₽/шт
Закладной кронштейн, Ст3 (закладная) k690
Крепление рутеля к тяге (серьга) (AISI316) М14 k659-16-2 купить в Казани
k659-16-2
316
4 857 ₽/шт
Крепление рутеля к тяге (серьга) (AISI316) М14 k659-16-2
Саморез для алюминиевого кондуктора 5,5х55мм,A2 k615-03-55 купить в Казани
k615-03-55
304
51 ₽/шт
Саморез для алюминиевого кондуктора 5,5х55мм,A2 k615-03-55
Крепление рутеля к стене, двойное 250мм, фланец с тремя отверстиями, AISI 304 k612-3 купить в Казани
k612-3
304
/шт
Крепление рутеля к стене, двойное 250мм, фланец с тремя отверстиями, AISI 304 k612-3
Комплект профиля козырькового анодированного, для стекла 20 мм (10+10 мм), 1000 мм  k300-20-1000 купить в Казани
k300-20-1000
/шт
Комплект профиля козырькового анодированного, для стекла 20 мм (10+10 мм), 1000 мм k300-20-1000
Комплект профиля козырькового анодированного, для стекла 16 мм (8+8 мм), 1000 мм  k300-16-1000 купить в Казани
k300-16-1000
/шт
Комплект профиля козырькового анодированного, для стекла 16 мм (8+8 мм), 1000 мм k300-16-1000
Вант (тяга) для козырька М10, длина 1450 мм AISI 304 k668-10-1450 купить в Казани
k668-10-1450
304
4 218 ₽/шт
Вант (тяга) для козырька М10, длина 1450 мм AISI 304 k668-10-1450
Комплект профиля козырькового анодированного, для стекла 20 мм (10+10 мм), 3000 мм  k300-20-3000 купить в Казани
k300-20-3000
64 855 ₽/шт
Комплект профиля козырькового анодированного, для стекла 20 мм (10+10 мм), 3000 мм k300-20-3000
Комплект профиля козырькового анодированного, для стекла 20 мм (10+10 мм), 1500 мм  k300-20-1500 купить в Казани
k300-20-1500
31 319 ₽/шт
Комплект профиля козырькового анодированного, для стекла 20 мм (10+10 мм), 1500 мм k300-20-1500

Зацените наш новый каталог "Фурнитура для козырьков и спайдерные системы"

Скачать →
Фурнитура для козырьков и спайдерные системы
(обновление 12.11.2018, версия 4.20)

Посмотрите видео с испытанием спайдеров: 

Наш Telegram-канал
Эксклюзивные акции и скидки только для подписчиков: не упусти выгоду!
Перейти на наш канал
Подпишись на наш Telegram-канал
Эксклюзивные акции и скидки только для подписчиков: не упусти выгоду!